Product Summary
The S-AV36 is an FM RF power amplifier module for VHF band.
Parametrics
S-AV36 absolute maximum ratings: (1)DC Supply Voltage VDD: 16.5 V; (2)DC Supply Voltage VDD: 16.5 V; (3)DC Supply Voltage VGG: 5.5 V; (4)Total Current IT: 15 A; (5)Input Power Pi: 100 mW; (6)Output Power Po: 90 W; (7)Operating Case Temperature Range Tc (opr): -30~100 ℃; (8)Storage Temperature Range Tstg: -40~110 ℃.
Features
S-AV36 features: (1)Output Power: 80W (Min.); (2)Power Gain: 32.0dB (Min.); (3)Total Efficiency: 45% (Min.).
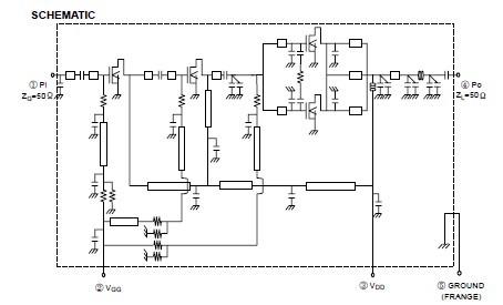
Diagrams

![]() |
![]() S-AV10H |
![]() Other |
![]() |
![]() Data Sheet |
![]() Negotiable |
|
||||
![]() |
![]() S-AV10L |
![]() Other |
![]() |
![]() Data Sheet |
![]() Negotiable |
|
||||
![]() |
![]() S-AV17 |
![]() Other |
![]() |
![]() Data Sheet |
![]() Negotiable |
|
||||
![]() |
![]() S-AV23AL |
![]() Other |
![]() |
![]() Data Sheet |
![]() Negotiable |
|
||||
![]() |
![]() S-AV28 |
![]() Other |
![]() |
![]() Data Sheet |
![]() Negotiable |
|
||||
![]() |
![]() S-AV30H |
![]() Other |
![]() |
![]() Data Sheet |
![]() Negotiable |
|
||||
(China (Mainland))








