Product Summary
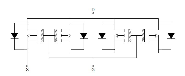
The BUZ905 is P-channel power MOSFET. It is generally used as power MOSFETs for audio application. It is featured with high speed switching, semefab designed and diffused. This device has a high voltage consumption up to 160V.
Parametrics
BUZ905 absolute maximum ratings:(1)Drain – Source Voltage, VDSX: 160V; (2)Gate – Source Voltage, VGS: ±14V; (3)Continuous Drain Current, ID: 32A; (4)Body Drain Diode, ID(PK): 32A; (5)Total Power Dissipation @ Tcase = 25℃, PD: 500W; (6)Storage Temperature Range, Tstg: –55 to 150℃; (7)Maximum Operating Junction Temperature, Tj: 150℃; (8)Thermal Resistance Junction – Case, RqJC: 0.3℃/W.
Features
BUZ905 features:(1)high speed switching; (2)P–channel power MOSFET; (3)semefab designed and diffused; (4)high voltage (160V & 200V); (5)high energy rating; (6)enhancement mode; (7)integral protection diode; (8)N–channel also available.
Diagrams

| Image | Part No | Mfg | Description | ![]() |
Pricing (USD) |
Quantity | ||||
|---|---|---|---|---|---|---|---|---|---|---|
![]() |
![]() BUZ905X4S |
![]() Other |
![]() |
![]() Data Sheet |
![]() Negotiable |
|
||||
![]() |
![]() BUZ905P |
![]() Other |
![]() |
![]() Data Sheet |
![]() Negotiable |
|
||||
![]() |
![]() BUZ905DP |
![]() Other |
![]() |
![]() Data Sheet |
![]() Negotiable |
|
||||
(China (Mainland))









