Product Summary
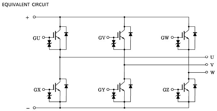
The MP6752 is a silicon N channel IGBT. It is suitable for high power switching applications and motor control applications.
Parametrics
Absolute maximum ratings: (1)collector-emitter voltage, VCES: 600V; (2)gate-emitter voltage, VGES: ±20V; (3)collector power dissipation, PC: 60W; (4)junction temperature, Tj: 150℃; (5)storage temperature range, Tstg: -40~125℃; (6)isolation voltage, VIsol: 2500 (AC 1 minute) V; (7)screw torque: 1.5N·m.
Features
Features: (1)the electrodes are isolated from case; (2)6 IGBTs are built into 1 package; (3)enhancement-mode; (4)low saturation voltage; (5)high speed.
Diagrams

![]() |
![]() MP6750 |
![]() Other |
![]() |
![]() Data Sheet |
![]() Negotiable |
|
||||
![]() |
![]() MP6751 |
![]() Other |
![]() |
![]() Data Sheet |
![]() Negotiable |
|
||||
![]() |
![]() MP6754 |
![]() Other |
![]() |
![]() Data Sheet |
![]() Negotiable |
|
||||
![]() |
![]() MP6759 |
![]() Other |
![]() |
![]() Data Sheet |
![]() Negotiable |
|
||||
(China (Mainland))








